AE Series Full Electric Injection Molding Machine is absolutely Researched and Developed by GSK CNC EQUIPMENT CO., LTD, which is the technology essence for devoting the mechanical design and servo control for many years. It owns the advantages, such as the precision, high-speed, energy-saving and environmental protection, etc., which can be widely used in the electron & communication, optics, medical treatment, food and consumable goods, etc. The core components, for example, mechanical body, controllable system, servo motor, drive and big loading ball screw, are absolutely researched and developed by GSK, so that the AE series full electric injection molding machine can be provided the strong guarantee for forming your product, as well met your characteristic requirements.
Mold-clamping unit
.png)
.png)
.png)
Injection unit
.png)
.png)
GSK 6000 controller
Realize the green energy-saving of GSK servo system
.png)
.png)
Energy-Saving
AE Series Full-Electric Injection Molding Machine can be saved up to 70% electric energy compared with the traditional ratio pump hydraulic vone regardless of the oil cooling simultaneously; up to 90% water resource can be saved accordingly.

Green & Environmental-Protection
1.It drives by servo motor regardless of the pollution issue for the environment by the hydraulic oil; it also provides cleaning production surroundings for the customers.
2.The accuracy lubrication that can be performed by tin filling grease pump matches with the qualification metering; the machine can be held cleaning in a large extent.

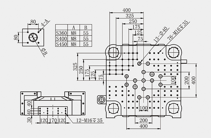
| Type | AE200 |
| Injection&plasticizing unit | Shoot machine model | | S360 | S400 | S450 |
| The screw diameter | mm | 36 | 40 | 45 | 40 | 45 | 50 | 45 | 50 | 55 |
| The theory of injection capacity | cm3 | 163 | 201 | 254 | 226 | 286 | 353 | 318 | 393 | 475 |
| Theory of injection weight(PS) | g | 154 | 191 | 242 | 215 | 272 | 336 | 302 | 373 | 451 |
| The maximum injection pressure | Mpa | 259 | 210 | 166 | 260 | 205 | 166 | 255 | 206 | 170 |
| The maximum pressure maintaining pressure | Mpa | 207 | 168 | 132 | 208 | 164 | 133 | 204 | 165 | 136 |
| The injection rate | cm3/s | 305 | 377 | 477 | 301 | 382 | 471 | 382 | 471 | 570 |
| The largest injection speed | mm/s | 300 | 240 | 240 |
| The injection stroke | mm | 160 | 180 | 200 |
| The screw rotation speed | rpm | 0-350 | 0-300 | 0-300 |
| Nozzle outstanding amount | mm | 35 (70) | 35 (70) | 35 (70) |
| Plasticizing capacity(PS) | Kg/h | 81 | 103 | 143 | 88 | 121 | 157 | 96 | 139 | 171 |
| Nozzle contact force | kN | 40 |
| The temperature control section number | | 5 |
| Total heating power | kw | 9.8 | 11 | 12.8 | 10.4 | 12.2 | 13.8 | 11 | 13.4 | 15.1 |
| Clamping unit | Clamping way | | 五点斜排 |
| Clamping force | ton | 200 |
| Drive travel | mm | 520 |
| The minimum thickness of the mould | mm | 280 |
| The biggest mould thickness | mm | 580 |
| Elder brother Lin Zhu spacing (length X height) | mm | 610X560 |
| Minimum mould size (length X height) | mm | 410X410 |
| Ejecting force | kN | 60 |
| Ejection stroke | mm | 150 |
| Number of thimble | | 13 |
| Other information | Overall dimensions (length X width X height) | m | 6.03X1.55X2.50 |
| Machine weight | t | 11.2 | 11.5 | 11.8 |

Medical Industry DNA detection tube, medical plug-in, hearing-aid……
Electron& Communication
Connector, mobile phone shell, computer frame……
Optical Industry
Mobile phone lens, light guide plate …
Food Industry
Container, bottle cap for fresh-keeping……
