xcsports

中文简体 | English Mail
Home > Product > Product List > All-electric injection molding machines All-electric injection molding machines
    GSK AE100 Full Electric Injection Molding Machine
AE100
  • Features
  • FunctionParameters
  • InstructionList
  • ConfigSoftware
  • ModelAndConfig
  • ModelAndConfig
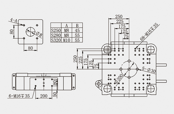
  • ProductSize
  • Applycase
  • Applyarea
  • ProductVideos
  • Ordering
  • ProductCode
  • Freedom
  • Payload
  • RangeOfMotion
  • RatedSpeed
  • MaximumTorque
  • MovementRadius
xc sports(中国区)-官方网站 

AE Series Full Electric Injection Molding Machine is absolutely Researched and Developed by GSK CNC EQUIPMENT CO., LTD, which is the technology essence for devoting the mechanical design and servo control for many years. It owns the advantages, such as the precision, high-speed, energy-saving and environmental protection, etc., which can be widely used in the electron & communication, optics, medical treatment, food and consumable goods, etc. The core components, for example, mechanical body, controllable system, servo motor, drive and big loading ball screw, are absolutely researched and developed by GSK, so that the AE series full electric injection molding machine can be provided the strong guarantee for forming your product, as well met your characteristic requirements.

 

Mold-clamping unit

xc sports(中国区)-官方网站

 

xc sports(中国区)-官方网站

 

xc sports(中国区)-官方网站

 

Injection unit

xc sports(中国区)-官方网站 

 

xc sports(中国区)-官方网站

 

xc sports(中国区)-官方网站

 

GSK 6000 controller

xc sports(中国区)-官方网站 

 

Realize the green energy-saving of GSK servo system

xc sports(中国区)-官方网站

 

xc sports(中国区)-官方网站

 

【网站地图】